当前位置:  首页  >  产品中心  >  伺服电机 > Z18P双速伺服主轴电机
Z18P双速伺服主轴电机

【概要描述】全叠片磁轭、体积小、高输出扭矩。双绕组电磁设计、低速大扭矩、高速快速响应。调速范围广、过载能力强、稳定性高。可替代传动二级齿轮减速机构,降低噪音,维护简单。

  • 功率范围
    3.7-90kW
  • 极数
    4/6/8极
  • 最高转速
    12000r/min

详细介绍

伺服电机_页面_22 拷贝.jpg

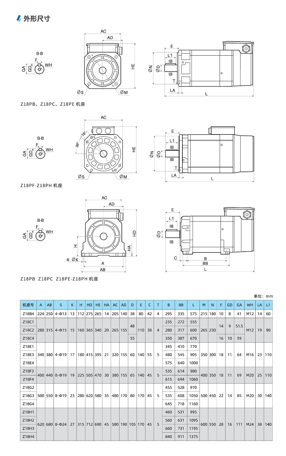
规格参数

上一篇 PWM系列高抗震永磁同步伺服电机

下一篇

您需要我们提供哪些帮助?

欢迎您来到我们的留言页面,请填写下面的表格,收到您的需求我们会尽快联系您!