当前位置:  首页  >  产品中心  >  伺服电机 > PDM系列螺旋压力机专用直驱电机
PDM系列螺旋压力机专用直驱电机

【概要描述】PDM系列内装式力矩电机由定子、空心轴永磁转子组成,采用液体冷却方式,定子固定于机器本体,转子与机器旋转机构联结,加装编码器等反馈元件与驱动器匹配调试后,形成与机器融为一体的直接驱动单元。转子采用内嵌式设计,有效防止振动。

  • 机座号
    830/1400
  • 额定功率
    42.4-272kW
  • 额定转矩
    2700-17320N·m

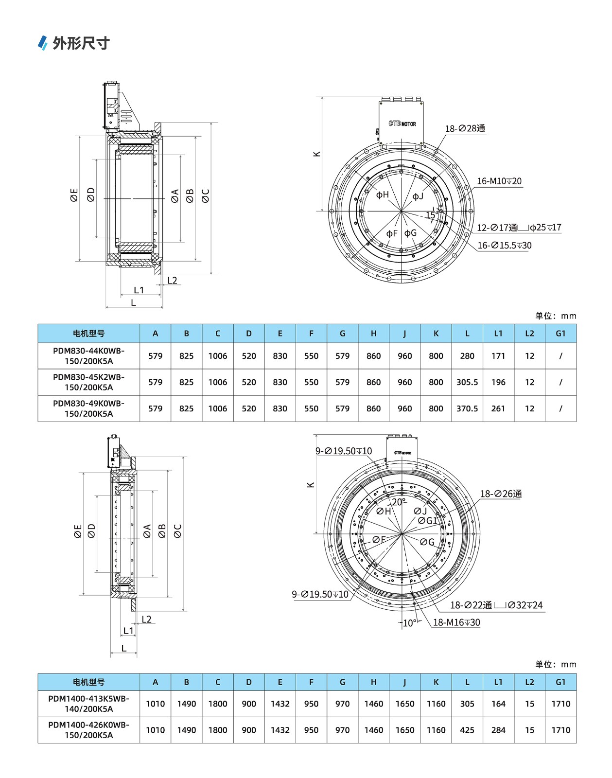
详细介绍

PDM1.jpg

规格参数

上一篇 MBS系列中大功率多传伺服驱动器

下一篇

您需要我们提供哪些帮助?

欢迎您来到我们的留言页面,请填写下面的表格,收到您的需求我们会尽快联系您!