当前位置:  首页  >  产品中心  >  伺服电机 > S18永磁同步伺服电机
S18永磁同步伺服电机

【概要描述】电机内置高分辨率、智能编码器,内置标配23bit绝对值编码器,低脉动转矩,优化的电磁结构设计。

  • 机座号
    130/180
  • 编码器类型
    17/23bit绝对值
  • 最高转速
    3000r/min

详细介绍

S181.jpg

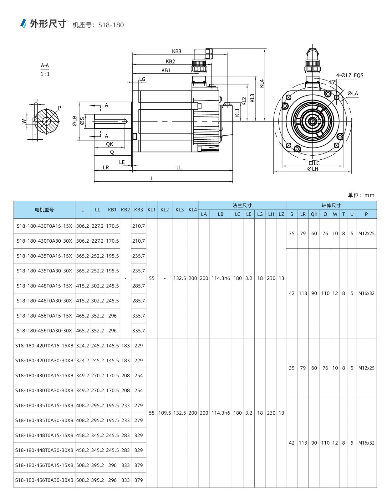
规格参数


上一篇 Z18B抱闸型伺服电机

下一篇

您需要我们提供哪些帮助?

欢迎您来到我们的留言页面,请填写下面的表格,收到您的需求我们会尽快联系您!